Micro-interrupteur à commutation magnétique
Mini commutateur de réinitialisation de souris à trois broches
Serrure de porte intelligente Weipeng et micro-interrupteur à triple réinitialisation pour aspirateur robot
Souris à trois pattes Weipeng avec micro-interrupteur à poignéeEn tant que modèle de référence de la série de micro-interrupteurs de Yueqing Tongda Wire Electric Factory, le micro-interrupteur à réinitialisation automatique normalement ouvert pour réfrigérateur et jouets électriques présente « une sensibilité élevée, une durée de vie ultra-longue et une adaptabilité à plusieurs scénarios » comme principaux avantages. Intégrant les 35 années d'expertise de l'entreprise en matière de fabrication de commutateurs, il est devenu un composant de contrôle clé dans les appareils électroménagers, l'électronique automobile, l'automatisation industrielle et d'autres domaines, grâce à son espace de contact minimal et à son mécanisme d'action rapide. Ses performances et sa fiabilité ont été certifiées par plusieurs organisations faisant autorité dans le monde entier, garantissant ainsi sa position dominante sur le marché de niche.
Présentation du micro-interrupteur
La série HK-14 offre des options de personnalisation très flexibles pour répondre aux exigences d'applications différenciées. La force de fonctionnement peut être personnalisée (moins de 5,0 N à l'état sans levier, standard 30 ± 15 gf), avec une plage de course de fonctionnement de 0,6 à 1,5 mm, adaptée à différents scénarios de force de déclenchement et de déplacement. Les styles de leviers sont personnalisables, notamment les leviers droits, courbés et à rouleaux, qui peuvent s'adapter à diverses structures de transmission mécanique. Les formulaires de contact couvrent toute la gamme SPDT (1NO 1NC), NO et NC.
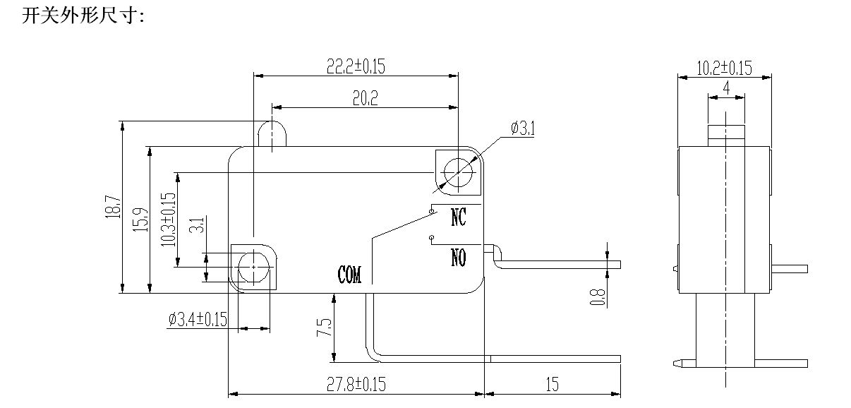
Paramètre du micro-interrupteur (spécification)
| Caractéristiques techniques du commutateur : | |||
| ARTICLE | Paramètre technique | Valeur | |
| 1 | Évaluation électrique | 5(2)A/10A/16(3)A/21(8)A 250 VCA | |
| 2 | Résistance des contacts | ≤30mΩ Valeur initiale | |
| 3 | Résistance d'isolation | ≥100 MΩ (500 V CC) | |
| 4 |
Diélectrique Tension |
Entre bornes non connectées |
1000V/0,5mA/60S |
|
Entre bornes et le cadre métallique |
3000V/0,5mA/60S | ||
| 5 | Durée de vie électrique | ≥50 000 cycles | |
| 6 | Durée de vie mécanique | ≥1 000 000 cycles | |
| 7 | Température de fonctionnement | -25 ~ 125 ℃ | |
| 8 | Fréquence de fonctionnement |
électrique : 15 cycles Mécanique :60 cycles |
|
| 9 | Résistant aux vibrations |
Fréquence de vibration : 10 ~ 55 Hz ; Amplitudes : 1,5 mm ; Trois directions :1H |
|
| 10 |
Capacité de soudure : Plus de 80% de partie immergée doit être recouvert de soudure |
Température de soudure : 235 ± 5 ℃ Temps d'immersion : 2 ~ 3 S |
|
| 11 | Résistance thermique de soudure |
Soudure par immersion : 260 ± 5 ℃ 5 ± 1S Soudure manuelle : 300 ± 5 ℃ 2 ~ 3S |
|
| 12 | Approbations de sécurité | UL, CSA, VDE, ENEC, TUV, CE, KC, CQC | |
| 13 | Conditions d'essai |
Température ambiante : 20 ± 5 ℃ Humidité relative : 65 ± 5 % HR Pression atmosphérique : 86 ~ 106 KPa |
|
Fonctionnalité et application du micro-interrupteur
Détails du micro-interrupteur
