Micro-interrupteur à grand courant pour machines à laver
Micro-interrupteur pour friteuse à air, machine de nettoyage pour lave-vaisselle
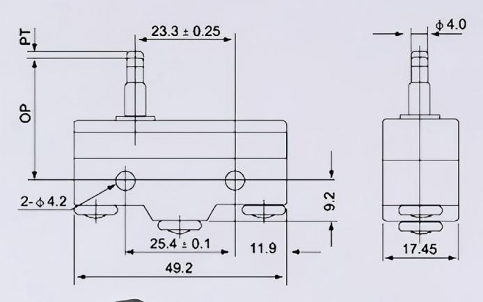
Interrupteur normalement fermé à 2 broches, 16 A, 250 V CA, réinitialisation de la limite de déplacement
Interrupteur de voyage à limite double pôle indépendanteLe commutateur de trait de limite de haute qualité LS est un composant de contrôle automatique déclenché par le mouvement mécanique. Sa fonction principale est de détecter le déplacement ou la course d'un objet pour atteindre l'ouverture et la fermeture des circuits, le début et l'arrêt de l'équipement ou la protection de la limite. Il s'agit d'un «Sentinel de sécurité» indispensable et d'un «commandant d'action» dans l'automatisation industrielle et l'équipement électromécanique.
Changer Présenteruction
L'interrupteur de voyage (également connu sous le nom de commutateur de limite) est un composant de commande automatique déclenché par le mouvement mécanique. Sa fonction principale est de détecter le déplacement ou la course d'un objet pour atteindre l'ouverture et la fermeture des circuits, le début et l'arrêt de l'équipement ou la protection de la limite. Il s'agit d'un «Sentinel de sécurité» indispensable et d'un «commandant d'action» dans l'automatisation industrielle et l'équipement électromécanique.
Changer Applicationtion
Système de courroie de convoyeur: les interrupteurs de limite sont installés aux points de démarrage / fin du convoyeur. Lorsqu'une pièce est transportée vers la position désignée, l'interrupteur est déclenché pour suspendre le convoyeur, en coordonnant avec le bras robotique pour effectuer des actions de saisie et de tri.
Ligne de montage: Ils sont utilisés pour détecter si une pièce est dans la bonne position. Par exemple, sur une chaîne de montage de l'appareil domestique, lorsque la coque extérieure se déplace vers la station de serrage à la vis, l'interrupteur déclenche le démarrage de la machine de serrage, assurant une coordination précise entre les étapes de processus.
Changer Détails

Interrupteur à glissière Micro interrupteur de fin de course
Pièces automobiles de micro-interrupteur de commutateur de voyage
Pièces de machine de commutateur de voyage
Fin de course à rouleau réglable
Interrupteur de fin de course étanche avec valve scellée
Mini interrupteur de fin de course à levier à rouleau et bras