Micro-interrupteur à commutation magnétique
Mini commutateur de réinitialisation de souris à trois broches
Serrure de porte intelligente Weipeng et micro-interrupteur à triple réinitialisation pour aspirateur robot
Souris à trois pattes Weipeng avec micro-interrupteur à poignéeInterrupteur de voyage à limite double pole indépendante est un composant de commande automatique déclenché par le mouvement mécanique. Sa fonction principale est de détecter le déplacement ou la course d'un objet pour atteindre l'ouverture et la fermeture des circuits, le début et l'arrêt de l'équipement ou la protection de la limite. Il s'agit d'un «Sentinel de sécurité» indispensable et d'un «commandant d'action» dans l'automatisation industrielle et l'équipement électromécanique.
Changer Présenteruction
L'interrupteur de voyage (également connu sous le nom de commutateur de limite) est un composant de commande automatique déclenché par le mouvement mécanique. Sa fonction principale est de détecter le déplacement ou la course d'un objet pour atteindre l'ouverture et la fermeture des circuits, le début et l'arrêt de l'équipement ou la protection de la limite. Il s'agit d'un «Sentinel de sécurité» indispensable et d'un «commandant d'action» dans l'automatisation industrielle et l'équipement électromécanique.
Changer Applicationtion
Applicationtion dans les appareils électroménagers et la maison intelligente:
Machine à laver:Un interrupteur de limite est installé sur la porte d'une machine à laver à chargement frontal. L'appareil ne commencera que lorsque la porte est complètement fermée et que l'interrupteur active le circuit, ce qui empêche la fuite d'eau ou les vêtements d'être jetés pendant le fonctionnement.
Réfrigérateur / four:Lorsqu'une porte de réfrigérateur est fermée, l'interrupteur se déclenche pour éteindre la lumière intérieure. Inversement, si une porte de four n'est pas fermement fermée, l'interrupteur coupera la puissance aux éléments de chauffage pour éviter les fuites de chaleur.
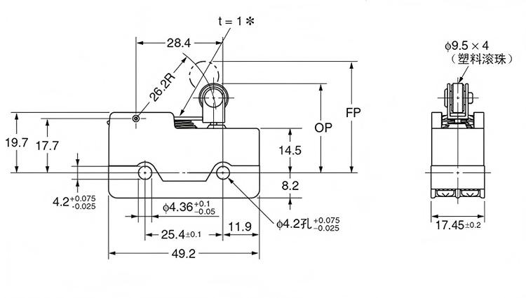
Changer Détails

Interrupteur à glissière Micro interrupteur de fin de course
Pièces automobiles de micro-interrupteur de commutateur de voyage
Pièces de machine de commutateur de voyage
Fin de course à rouleau réglable
Interrupteur de fin de course étanche avec valve scellée
Mini interrupteur de fin de course à levier à rouleau et bras